因产品配置不同,价格货期需要电议,图片仅供参考,一切以实际成交合同为准。
Pfeiffer 普发分子泵 HiPace 60P
上海伯东销售维修德国普发涡轮分子泵 Pfeiffer HiPace 60P 抽速可达到 64 l/s. 分子泵 HiPace 60P 集成氮气吹扫阀, 耐粉尘, 特别适合工业环境, 无 Holweck-stage, 通过保护等级 IP54. 集成控制器 TC 110 保证分子泵的安全性. 涡轮分子泵 HiPace 60P 可以安装在任何方向, 自然水冷或风冷.
分子泵 HiPace 60P 技术参数:
|
型号 |
HiPace® 60 P,TC 110, DN 63 ISO-K |
HiPace® 60 P,TC 110 RS,DN 63 ISO-K |
|
|
复合轴承 |
陶瓷球轴承 |
||
|
Ar 压缩比 |
2 X106 |
||
|
H2 压缩比 |
2 X102 |
||
|
He 压缩比 |
3.5 X103 |
||
|
N2 压缩比 |
1 X106 |
||
|
标准冷却 |
对流 |
||
|
可选冷却 |
风冷, 水冷 |
||
|
冷却水消耗 |
75 l/h |
||
|
冷却水温度 |
5-25 °C |
||
|
电子驱动 |
TC 110 |
TC 110 RS |
|
|
进气法兰 |
DN 63 ISO-K |
||
|
排气法兰 |
DN 16 ISO-KF, G ¼" |
||
|
*大预抽真空, N2 |
4 hPa |
||
|
全转速时气体流量, Ar |
0.83 hPa l/s |
||
|
全转速时气体流量, H2 |
55 hPa l/s |
||
|
全转速时气体流量, He |
55 hPa l/s |
||
|
全转速时气体流量, N2 |
9.2 hPa l/s |
||
|
通讯接口 |
RS-485, Remote |
||
|
安装方式 |
任意位置安装 |
||
|
操作电压 |
24 (± 5 %) V DC |
||
|
允许*大磁场 |
4 mT |
||
|
保护类型 |
IP 54 |
||
|
抽速 Ar |
63 l/s |
||
|
抽速 H2 |
28 l/s |
||
|
抽速 He |
48 l/s |
||
|
抽速 N2 |
64 l/s |
||
|
转速 ± 2 % |
90,000 rpm |
||
|
启动时间 |
1.1 min |
1 min |
|
|
极限真空 |
< 1X10-6 hPa |
||
|
放气接口 |
G 1/8" |
||
|
重量 |
2.2 kg |
2.3 kg |
|
|
分子泵资料下载 |
中文 PDF |
中文 PDF |
|
分子泵应用 HiPace 60P: 专为抽气环境含小颗粒悬浮物设计研发, 耐粉尘设计, 广泛应用于镀膜和工业领域.
镀膜: 光伏, CD / DVD / PVD
研发: 纳米技术, 生物技术
分析仪器: 电子显微镜, 检漏, 小型质谱, 表面分析, 残余气体分析
工业: 医学技术, 工业检漏, 隔离真空, 灯管制造
涡轮分子泵 HiPace 60P 对不同气体抽速

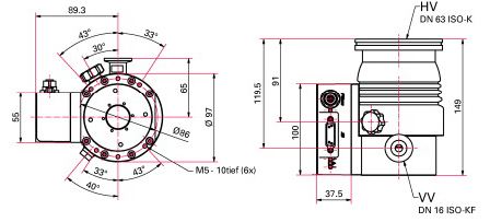
涡轮分子泵 HiPace 60P 尺寸图
Pfeiffer 涡轮分子泵 HiPace 60P 目前在售型号
分子泵 HiPace 60 P TC 110 DN 63 ISO-K
分子泵 HiPace 60 P TC 110 RS DN 63 ISO-K
其他普发分子泵推荐
上海伯东德国 Pfeiffer 涡轮分子泵抽速范围 10 至 2700 L/S, 转速*高 90,000 rpm, 极限真空*大 1E-11 mbar, 对小分子气体具有更高的压缩比, 实践证明 Pfeiffer 涡轮分子泵运行时间可以达到 100,000 小时! 普发分子泵提供复合轴承分子泵和五轴全磁浮分子泵二大系列满足不同应用, 推荐搭配 Pfeiffer 旋片泵和干泵共同使用. 推荐分子泵典型应用 >>
若您需要进一步的了解分子泵详细信息, 请联络上海伯东邓女士,分机134