手机版手机版
服务热线 周一至周六 8:00-17:00
400-806-8896
供应

RTZ-Q切断式燃气调压箱 楼栋式燃气调压箱 燃气调压器

  • 二维码
  • 手机
    查看
最后更新时间:2023-04-10
人气值 314
品牌:
鑫星
DN:
50
 
 
售后服务:由河北鑫星燃气设备股份有限公司从河北衡水市发货,并提供售后服务
  • 产品用途

     

    中低压调压器可用于中型炉窑等工业用户,也可用于楼栋或单元调压,此类调压器备有超压自动切断装置,由人工复位。是用于楼栋调压或单元调压的典型设备。

     

    产品特点

     

    体积小、流量大、性能稳定、安全可靠、燃气适应范围广,也可与阀门、进口三通、出口三通、放散阀等组装成箱式、单独加旁通带安全放散的壁挂式小型调压箱。

     

    主要技术参数

     

    进口压力P1:0.02-0.4MPa

    出口压力P2:1.0-30KPa(可调)

    稳压精度εP2:±15%

    安全切断动作压力:2-40KPa

    技术指导:155  0328  7303


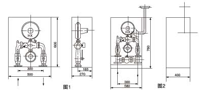
    结构示意图




  • 河北鑫星燃气设备股份有限公司是国内较早生产燃气调压设备的主要厂家之一,公司位于衡水市枣强县创业园,注册资金为3689.8万元,占地面积86亩,工厂建筑面积28000平方米,年销售额超亿元。制造各种不同类型的高、中、低压调压器(箱、柜、站)燃气调压计量撬(箱),CNG减压站,LNG气化站,安全切断阀、超压放散阀、过滤器、过滤分离器、热交换器、旋风、旋流分离器、收发球装置燃气调压设备和一、二类压力容器系列产品,产品种类多、规格全、生产规模大。
普通会员
    • 联 系  人: 张经理
    • 在线客服:
    • 手机号码:
    • 联系电话:
    • 传      真:
    • 企业地址: 河北省枣强县东环路68号
    • 工商认证
    • 手机实名
我要询价
验证码